- Технические характеристики и другая информация предоставляются для справки.
- Чертежи и изображения представлены для ознакомления
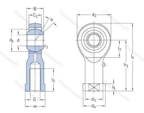
Наконечник штока с внутренней резьбой SIKAC 10 M
Конструкционной особенностью изделия является наличие литого корпуса, оснащенного винтовым шагом, что позволяет использовать его в качестве элемента опоры или соединения для механизмов различного типа и назначения с высотой и шириной не превышающей B - 14мм.
Чем отличается модель Наконечник штока с внутренней резьбой SIKAC 10 M?
- Самостоятельно центрируется, обеспечивая тем самым перемещение одновременно в трех плоскостях.
- С высоким успехом воспринимает радиальные и осевые нагрузки.
- Обладает невероятно широкой сферой применения, начиная с производства станков, сельскохозяйственного и строительного инвентаря и заканчивая гидравлическими системами, пневматическим оборудованием, дверными доводчиками и так далее.
Желаете недорого купить Наконечник штока с внутренней резьбой SIKAC 10 M со внутренним диаметром d - 10мм и наружным D - 29мм? Приобретите необходимое изделие у нас!
| Бренд | SKF |
| Страна производитель | ГЕРМАНИЯ |
| Внутренний диаметр d | 10 мм |
| Внешний диаметр D | 29 мм |
| Ширина B(H) | 14 мм |
|
Производитель
|
SKF |
|
Ширина B
|
14 |
|
Внешний диаметр D
|
29 |
|
Внутренний диаметр d
|
10 |
|
Размер
|
10x29x14 |
|
Модель
|
с SIKAC 10 M |
Похожие по размеру
Оформить заказ на нашем сайте легко. Просто добавьте выбранные товары в корзину, а затем перейдите на страницу Корзина, проверьте правильность заказанных позиций и нажмите кнопку «Оформить заказ» или «Быстрый заказ».
Функция «Быстрый заказ» позволяет покупателю не проходить всю процедуру оформления заказа самостоятельно. Вы заполняете форму, и через короткое время вам перезвонит менеджер магазина. Он уточнит все условия заказа, ответит на вопросы, касающиеся качества товара, его особенностей. А также подскажет о вариантах оплаты и доставки.
По результатам звонка, пользователь либо, получив уточнения, самостоятельно оформляет заказ, укомплектовав его необходимыми позициями, либо соглашается на оформление в том виде, в котором есть сейчас. Получает подтверждение на почту или на мобильный телефон и ждёт доставки.
Если вы уверены в выборе, то можете самостоятельно оформить заказ, заполнив по этапам всю форму.
Выберите из списка название вашего региона и населённого пункта. Если вы не нашли свой населённый пункт в списке, выберите значение «Другое местоположение» и впишите название своего населённого пункта в графу «Город». Введите правильный индекс.
В зависимости от места жительства вам предложат варианты доставки. Выберите любой удобный способ.
Оплата
Выберите оптимальный способ оплаты.
Введите данные о себе: ФИО, адрес доставки, номер телефона. В поле «Комментарии к заказу» введите сведения, которые могут пригодиться курьеру, например: подъезды в доме считаются справа налево.
Проверьте правильность ввода информации: позиции заказа, выбор местоположения, данные о покупателе. Нажмите кнопку «Оформить заказ».
Наш сервис запоминает данные о пользователе, информацию о заказе и в следующий раз предложит вам повторить к вводу данные предыдущего заказа. Если условия вам не подходят, выбирайте другие варианты.



