- Технические характеристики и другая информация предоставляются для справки.
- Чертежи и изображения представлены для ознакомления
Шарикоподшипник радиально-упорный с четырехточечным контактом QJ 240-N 2-MPA
Конструктивным отличием в серии Шарикоподшипник радиально-упорный с четырехточечным контактом QJ240-N2-MPA является особое расположение и строение дорожек качения, что позволяют передавать нагрузки между ними под меняющимся углом контакта. Система включает в себя наружную и внутреннюю шины с телами качения между ними. Устройство может иметь разборные, неразборные или съемные обоймы, скосы на шинах, оснащаться трех - или четырехточечными контактами. Существуют варианты с углами от 12 до 60 градусов.
Чем выделяется Шарикоподшипник радиально-упорный с четырехточечным контактом QJ240-N2-MPA?
- Изготавливается согласно нормам стандартов ГОСТ 831-75, 8995-75, международным и европейским производственным нормативам ИСО.
- При увеличении контактного угла устройство дает возможность перераспределять прилагаемые рабочие осевые нагрузки в аксиальном направлении и тем самым снижать давление, оказываемое на шарикоподшипники. Соответственно, при уменьшении данного показателя осесимметричный вектор приложения сил падает, а воздействие по оси растет.
- Воспринимает только односторонние усилия. Для двусторонних требуется установка парных устройств или двухрядных аналогов.
- Съёмное внутреннее кольцо, являющееся монолитной или разборной деталью (2 части);
- 1 или 2 ряда тел качения, что позволяет воспринимать однонаправленные или двухсторонние осевые нагрузки;
- Соотношение радиальной и осевой нагрузки меняется в зависимости от величины контактного угла. При его уменьшении повышается допустимая аксиальная нагрузка;
- Тип с повышенными эксплуатационными параметрами (прецизионный) используется в высокоточном оборудовании;
- Возможность упрощённого монтажа в ограниченном пространстве.
Сегодня вы можете заказать с доставкой Шарикоподшипник радиально-упорный с четырехточечным контактом QJ240-N2-MPA ГОСТ или (аналог ISO) или иные модели от FAG, KOYO, NSK, SKF, SNR по скромной стоимости в нашем онлайн-магазине!
Технические характеристики
Обозначение : QJ240-N2-MPA
Размеры, мм : 200 x360 x58
Производитель : FAG
Диаметр внутренний, мм : 200
Диаметр наружный, мм : 360
Высота, мм : 58
Технические данные из каталога производителя :
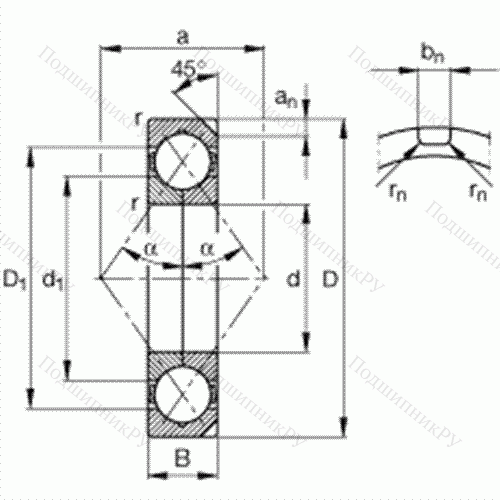
d - 200 mm
D - 360 mm
B - 58 mm
- 45 ° / Шлицевый угол
a - 196 mm
an - 12,7 mm
bn - 10,5 mm
D1 - 302 mm
Da max - 343 mm
d1 - 258,6 mm
da min - 217 mm
ra max - 3 mm
rmin - 4 mm
rn - 2 mm
? - 35 ° / Угол контакта
m - 28 kg / Вес
Cr - 510000 N / динамическая грузоподъемность, радиальная
C0r - 850000 N / статическая грузоподъемность, радиальная
nG - 3200 1/min / Предельная частота вращения
Cur - 27500 N / Нагрузка предела усталости, радиальная
Основные размеры по DIN 628-4, разъемные, с разъемным внутренним кольцом, с двумя стопорными пазами
|
Производитель
|
FAG |
|
Ширина B
|
58 |
|
Внешний диаметр D
|
360 |
|
Внутренний диаметр d
|
200 |
|
Размер
|
200x360x58 |
|
Вес, кг
|
28 |
|
Модель
|
QJ240-N2-MPA-FAG |
|
SKU
|
QJ240-N2-MPA-FAG |
Похожие по размеру
Оформить заказ на нашем сайте легко. Просто добавьте выбранные товары в корзину, а затем перейдите на страницу Корзина, проверьте правильность заказанных позиций и нажмите кнопку «Оформить заказ» или «Быстрый заказ».
Функция «Быстрый заказ» позволяет покупателю не проходить всю процедуру оформления заказа самостоятельно. Вы заполняете форму, и через короткое время вам перезвонит менеджер магазина. Он уточнит все условия заказа, ответит на вопросы, касающиеся качества товара, его особенностей. А также подскажет о вариантах оплаты и доставки.
По результатам звонка, пользователь либо, получив уточнения, самостоятельно оформляет заказ, укомплектовав его необходимыми позициями, либо соглашается на оформление в том виде, в котором есть сейчас. Получает подтверждение на почту или на мобильный телефон и ждёт доставки.
Если вы уверены в выборе, то можете самостоятельно оформить заказ, заполнив по этапам всю форму.
Выберите из списка название вашего региона и населённого пункта. Если вы не нашли свой населённый пункт в списке, выберите значение «Другое местоположение» и впишите название своего населённого пункта в графу «Город». Введите правильный индекс.
В зависимости от места жительства вам предложат варианты доставки. Выберите любой удобный способ.
Оплата
Выберите оптимальный способ оплаты.
Введите данные о себе: ФИО, адрес доставки, номер телефона. В поле «Комментарии к заказу» введите сведения, которые могут пригодиться курьеру, например: подъезды в доме считаются справа налево.
Проверьте правильность ввода информации: позиции заказа, выбор местоположения, данные о покупателе. Нажмите кнопку «Оформить заказ».
Наш сервис запоминает данные о пользователе, информацию о заказе и в следующий раз предложит вам повторить к вводу данные предыдущего заказа. Если условия вам не подходят, выбирайте другие варианты.

